振動篩12年生產廠家
過濾,除雜,分級

3500-38000元/臺詳情咨詢
100kg/h處理量:
<10mm入料粒度:
380V電壓:
特點:體積小巧,移動方便,篩分能力強可當作過濾設備來用,精度提高80%,產量提高2~5倍
適用:篩分細至500目或0.028mm粉末、顆粒,液體物料過濾可至5微米
選型要點
按材質分:碳鋼,不銹鋼(食品,醫藥行業專用),塑料(耐強酸,強堿腐蝕)
按不同行業分:普通型,閘門型(控制物料篩分時間),加緣型(防止液體物料飛濺),超聲波型(防止物料聚團堵塞)

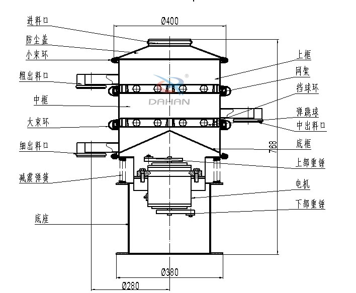
該機為直徑400mm兩層三出口的小型振動篩,子母網分離式網架,與物料接觸部分為304不銹鋼,底座為碳鋼材質,外部噴塑處理。適合各種粉料和漿液小批量的生產使用,該機體積小方便移動。






| 型 號 | 直徑mm | 篩網面積m | 篩網規格(目) | 進料粒度mm | 振次rpm | 有效篩面直mm | 層數 | 功率Kw | 處理量kg/h |
| DH-400 | Φ400 | 0.24 | 2-500 | <Φ10 | 1500 | Φ350 | 1-5 | 0.18 | 100 |
振動篩由直立式振動電機作為激振源,電機上、下兩端安裝有偏心重錘,將電機的旋轉運動轉變為水平、垂直、傾斜的三次元運動,再把這個運動傳遞給篩面進行篩分。調節上、下兩端的相位角,可以改變物料在篩面上的運動軌跡。



☆ 效率高、設計精巧耐用,粉類、粘液均可篩分。
☆ 換網容易、操作簡單、清洗方便。
☆ 網孔不堵塞、粉末不飛揚、可篩至400目或0.028mm。
☆ 雜質、粗料自動排出,可以連續作業。
化工行業:樹脂、涂料、工業藥品、化妝品、油漆、中藥粉等。
食品行業:糖粉、淀粉、食鹽、米粉、奶粉、豆漿、蛋粉、醬油、果汁等。
金屬、冶金礦業:鋁粉、鉛粉、銅粉、礦石、合金粉、焊條粉末、二氧化錳、電解銅粉、電磁性材料、研磨粉、耐火材料、高嶺土、石灰、氧化鋁、重質碳酸鈣、石英砂等。
公害處理:廢油、廢水、染整廢水、助劑、活性碳等。
Copyright ? 2007-2019 振動篩廠家-新鄉市大漢振動機械有限公司 | All Rights Reserved 版權所有
備案序號:豫ICP備09002479號-1